Sampling of Duct Layout Sketches by Baghouse Duct Design dot Com - Baghouse Duct Design dot Com Industrial Ventilation Consultant

Baghouse Duct Design dot Com™
Baghouse Duct Design dot Com
Gregory J. Black, PE
14280 W 50th Place
Golden, CO  80403
GregBlack@GoldenEagleTechnologies.Com
(303) 278-9268
Baghouse Duct Design dot Com™
Go to content
Sampling of Duct Layout Sketches

Our services may entail general layout sketches of your duct system indicating; pick up hood type / design, duct diameters, and approximate routing.  Below, we are providing some sample sketches provide on past projects, as PDF files.   Click on Picture to open.
Sketch of Cartridge Collector Venting two Dry Chemical Ribbon Blenders


Cartridge Collector Venting two Dry Chemical Ribbon Blenders

Venting of two Ribbon Blenders. Duct runs to both; Mixer top covers, and to dust collection hoods around material  discharge slide gates.  Top covers of mixers have bar grating for bag dump and as an air inlet to keep dust flow awa from workers.  Dust Collector includes a horizontial fan  mounted atop the Dust Collector.
Dust Collection General Arrangement 7 collection ponts Copper Mine Assay Lab


Copper Mine Assay Lab - Seven Pick Up Pointss

Copper Mine Ore Assay Lab.  Nano-Fiber Cartridge Collector Filtered Air is recirculated back into work space. Seven pick up points including: Lab Pulverizers, Downdraft Work Bench, and Back Wall Slotted  Hood Work Bench.
Enclosure around 7 foot diameter Belt Conveyor Tail Pulley vented through duct to baghouse dust collector

7 Foot Diameter  Belt Conveyor Tail Pulley Enclosure to Bag House Dust Collector

Custom Enclosure around seven foot diameter Tail Pulley on ore belt conveyor. System includes: Enclosure, Dust Collector, Fan HEPA Filters and Duct.
Plan view of existing welding school booth vented to two cartridge dust collectors

Welding School Booth Venting

Plan View of Existing Welding School.  Showing General Arrangement of  Duct System and Cartridge Dust Collector Placement. ( Sections and  Details Not Shown )
The below sketches, were designed for our clients to fabricate themselves, or at a local fabrication facility.  Click on the picture to open the PDF File.
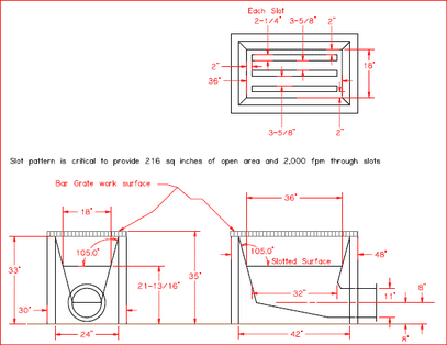
Slotted hood retrofit sketch for existing bench top


Slotted Hood Retrofit Modification for Existing Bench Top


Downdraft bench 18" x 36" with slotted diffuser to 11 inch duct


Downdraft Bench, with slotted diffuser for more even air distribution. Applied for temporary placement of sample containers filled with ground ore.

Sketch of lid for client to fabricate and apply for filling of 55 gallon drums


Barrell filling lid, for placement on 55 gallon drum


Our services may entail general layout sketches of your duct system  indicating; pick up hood type / design , duct diameters , and  approximate routing. We are not offering Engineering services, but more  economical Designer services, for fitting duct and preliminary sizing of  air pollution control equipment to manufacturers recommended air to  cloth ratios.
Final Engineering acceptance and implementation details are the responsibility of our clients.
Baghouse Duct Design dot Com™
Contact: Gregory J. Black, PE
303-278-9268

STORY:Golden Eagle Technologies provides equipment procurment services for both Air Pollution Control, and Powder Bulk Material Handling Systerms.
Baghouse Duct Design dot Com is a subsidiary business formed during the  2008 economic downturn to assist cliental with the design, retrofit, optimization and operator training on Air Pollution Control Systems for: dust, fume and chemical vapor controls.
Baghouse Duct Design consultant for design and operation of air pollution and other dust , fume, chemical vapor and oil mist collection.  Industrial Ventilation Engineer , Duct Design, Dust Collection System, Scrubber, Dust Extraction, Venturi Scrubber
Industries: Food, Mining, Minerals, Hemp, Cannabis, Ceramics, DHA, NFPA 652, Brewery, Brew, Coffee, Candy, Cement, Lime, Steel, Iron, Pharmeceutical, Power, Paper, Resins, Sand, Silica, Soda Ash, Trona, Foundry, Bentonite, Bio Char, CBD, Chemical, Water, NFPA 69, Pack, Packaging.
Equipment: Dust Collection, Dust Control, Dust Collector, Baghouse, Bag house, Donaldson, Cartridge Collector, Duct, Vibra Screw, Meyer Valves, ACS Valves, Rotary Valve,  Schenck Process, MAC equipment, National Bulk Equipment,  Dustcon,  MikroPul, Nederman, Sly, Scientific Dust Collector, Smog Hog, Dust Hog
© 2004-2021 Golden Eagle Technologies, LLC - All Rights Reserved
Back to content
website security